常見的串聯三端穩壓集成電路,如LM7800、LM7900、LM3xx系列,效率低,如LM7805輸入電源電壓10~15V時,它的工作效率僅為30%~50%;如將LM7805用于可調式穩壓電源,那么其輸入端電壓可達35V左右,但工作效率就更低了。另外,LM7800系列TO~220封裝的產品,其自身不加散熱片的允許功耗僅僅1.5VA,加上理想散熱片也只有20VA。開關式穩壓電源具有很高的工作效率,一般可達60%~90%或以上,本文介紹使用常見的LM317制作的開關電源,其電路簡單,性能可靠。
1.LM317 簡介
LM317是應用最為廣泛的電源集成電路之一,它不僅具有固定式三端穩壓電路的最簡單形式,又具備輸出電壓可調的特點。此外,還具有調壓范圍寬、穩壓性能好、噪聲低、紋波抑制比高等優點。其主要性能參數如下。
輸出電壓:1.25-37V DC;輸出電流:5mA-1.5A;芯片內部具有過熱、過流、短路保護電路;最大輸入-輸出電壓差:40V DC,最小輸入-輸出電壓差:3V DC;使用環境溫度:-10-+85℃ 。
圖1給出了幾種常用(不同封裝形式)的LM317的外形及引腳排列圖。

圖1 LM317的外形及引腳排列圖
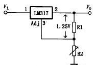
由于輸出端(2腳)與調節輸入端(3腳)之間的電壓保持在1.25V,調整接在輸出端與地之間的分壓電阻R1和R2來改變ADJ端的電位,可以達到調節輸出電壓的目的,如圖2所示,原理如下:
R1兩端的1.25V恒定電壓產生的恒定電流流過R1和R2,在R2上產生的電壓加到ADJ端。此時,輸出電壓Vo取決于R1和R2的比值,當R2阻值增大時,輸出電壓升高,即:
Vo=1.25[(R1+R2)/R2]。

圖2 調節輸出電壓電路
2.電路設計
電路的工作原理是,當電路工作開始瞬間,由于LM317尚未建立起工作條件,其輸入端電壓高于輸出端,于是呈現低內阻狀態而導通,儲能電容C2上電壓開始上升,同時,流過電感L1初級線圈的電流在Ll中建立磁場,當C2上電壓達到設定值時,LM317迅速呈現高內阻而近似斷開,這時儲存在L1電感中的磁場通過其次級線圈和D1向負荷供電,同時C2中的能量也向外釋放,直到LM317輸出端電壓低于設定值,LM317再次導通。如此循環,LM317便被設置成開關工作狀態。電路圖如圖3所示。

圖3 電路原理圖
該電路安裝后幾乎無需調試就能工作,經過幾例的實際安裝。電路具有以下特點:
(1)電路開關頻率變化很大,該頻率與負載電流大小、輸出電壓高低、C2容量大小有關系。當C2容量超過47μF時,電路起振困難而變成串聯式穩壓電源,LM317溫升急劇升高。電路振蕩頻率落人人耳可聽范圍后,能聽到開關變壓器發出“唧、唧”或“吱、吱”的叫聲。
(2)電源輸出電壓不能從1.25V起調,起始電壓隨電路負載大小在2.5V左右,輸出電壓隨負荷變化不是很穩,在15V以下時高于空載值,15V以上時低于空載值,誤差在2V以內,所以它不適用于對穩壓精度要求很高的場所。
(3)按照附圖中的元件數據,電路輸出在1.2A的情況下,輸出電壓范圍是2.5~2.9V。在5V輸出1.2A電流的情況下,LM317溫升很低,如使用普通串聯電路形式,散熱問題將是很難解決的,這正是本文設計的初衷。
電路中C1、C3是濾波電容,一般容量越大越好;C2是儲能定時電容,該電容小開關頻率高,但電壓不穩定,電容大易造成停振;L1是開關變壓器,可以用25或29英寸電源濾波線圈代用;L2是濾波電感,也可以用前面濾波線圈代用,但要將兩個繞組頭尾串起來使用;D1是續流二極管,型號為國產2CN類的高速管,不能用一般管代用;D2是保護二極管,W是輸出電壓調整電位器,盡量采用線性或功率大一點的使用;R是輸出取樣電阻。變壓器可以用輸入輸出電壓相同的代用,只要能滿面足使用要求,輸出電壓和功率小一點也可。
電話:18923864027(同微信)
QQ:709211280
〈烜芯微/XXW〉專業制造二極管,三極管,MOS管,橋堆等,20年,工廠直銷省20%,上萬家電路電器生產企業選用,專業的工程師幫您穩定好每一批產品,如果您有遇到什么需要幫助解決的,可以直接聯系下方的聯系號碼或加QQ/微信,由我們的銷售經理給您精準的報價以及產品介紹

